A customer from the Philippines inquired about a stationary crushing plant primarily used for crushing river pebbles. Initially, the customer’s production output was not specified. After our sales personnel visited the site and assessed the customer’s final aggregate requirements, we customized a 200tph river pebbles crushing line for him.

Customer Requirements:
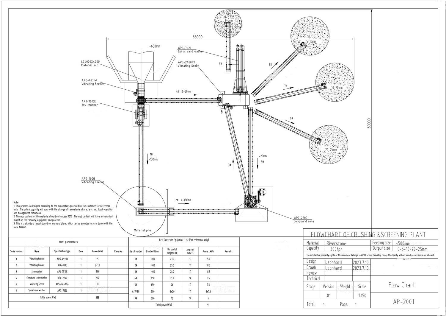
Final Production Output: 200 tons/hour
Max Feed Particle Size: Not exceeding 500mm
Final Aggregate Requirements: Aggregate particle size produced between 0-25mm, with 10mm aggregates produced as sand for sale. Other particle size ranges include 5-10mm, 10-20mm, and 20-25mm, intended for local infrastructure contractors or concrete and asphalt producers.
Final Crushing Solution Design:
- Vibrating Feeder: APG-491V + APG-100G
- Jaw Crusher: APJ-7510E
- Compound Cone Crusher: APC-200C
- Vibrating Screen: APS-2460YS
- Spiral Sand Washer: APS-762L
- Conveyor belts: 8
ANDAMINE engineers have designed a crushing process diagram based on the structure of the crushing site. Check it below.

Why Customize This Crushing Solution?
Based on the customer’s raw material and final aggregate production requirements, we opted for a two-stage crushing process, using a jaw crusher for primary crushing and a cone crusher for secondary crushing. The customer wanted to produce both aggregates and a portion of sand, so we incorporated a sand washing device in the production line to meet their needs.
- APG-4911W + APG-80G Vibrating Feeder: To protect the performance of the two main crusher machines, we installed vibrating feeders before the material enters the jaw and cone crushers.
- Vibrating Screen (APS-1860Y2): A four-layer vibrating screen meets the aggregate screening requirements.
- Jaw Crusher (APJ-7510E): Given the larger particle size of the customer’s raw materials (pebbles up to 450mm) and capacity of 200tph, the APJ-7510E jaw crusher was chosen to meet this maximum particle size requirement.
- Cone Crusher (APC-200C): After primary crushing, aggregates sized 0-130mm are conveyed to the cone crusher. The medium crushing cavity of APC-200C can handle materials with a particle size not exceeding 160mm, making it suitable for crushing 130mm aggregates. Additionally, the compound cone crusher produces aggregates with good particle shape, facilitating easy selling for the customer.
- Spiral Sand Washer (APW-L): Since the market price for 10mm aggregates is not competitive, the customer chose to crush 10mm aggregates into sand for sale.





The customer is highly satisfied with this crushing solution, as it maximizes their investment returns. If you are also interested in investing in river pebble crushing business in the Philippines, feel free to consult us. We will customize stone crushing plants solution for you.
